gearbox v-drive

How does it work? Why is this part designed like that? What is the strenght of material X?
Post Reply
rmw
Posts: 16
Joined: Tue Oct 26, 2010 5:13 pm

gearbox v-drive

Post by rmw »

Hello,

does anybody has some information about this v-drive unit?

Image

Image

It is located in the middle of the passenger compartment. it is used in this typ of volga where the transmission ist mounted behind the engine and not inside the passenger compartment.
I need some information about max. rpm, angle between the two drive shafts and so on.

Thanks for helping me

regards
Richard
Mark
Posts: 86
Joined: Fri Jul 30, 2010 11:11 pm
Location: Near Amsterdam
Contact:

Re: gearbox v-drive

Post by Mark »

Hay Richard,
I was looking in my info but most is of the one with gearbox,i have one of those..
But the angle is the same 12 degree if I'm correct.
On Russian forums i see them replaced by ZF drives...
http://forum.katera.ru/index.php?/topic ... h/page-154
I hope this info will help you.

Regards,
Mark
Flying low in your hydro
find me on facebook:mark van Rijzen.
rmw
Posts: 16
Joined: Tue Oct 26, 2010 5:13 pm

Re: gearbox v-drive

Post by rmw »

The original gearbox-angle is 12°?
Mark
Posts: 86
Joined: Fri Jul 30, 2010 11:11 pm
Location: Near Amsterdam
Contact:

Re: gearbox v-drive

Post by Mark »

I am sorry Richard,
I was wrong..
12°is measured from the base line.
that is the line over the keel of the boot.
I had to dig deep. but i found it.
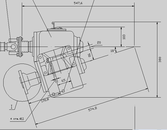
It's 18°..
[img]
V-Drive01.jpg
[/img]
sorry for the inconvenience

Regards Mark
Flying low in your hydro
find me on facebook:mark van Rijzen.
Post Reply